0510-83266656
搪玻璃產品

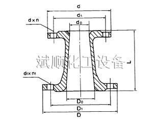
| Dg | 大端 | 小端 | S |
L min |
每米重量 (kg) |
||||||||
| DO | D | D1 | 螺栓孔 | do | d | d1 | 螺栓孔 | ||||||
| dl | nl | d | n | ||||||||||
| 70×50 | 60 | 160 | 130 | 14 | 4 | 45 | 140 | 110 | 14 | 4 | 6 | 130 | 11.88 |
| 80×50 | 75 | 185 | 150 | 18 | 4 | 45 | 140 | 110 | 14 | 4 | 8 | 150 | 17.9 |
| 80×70 | 60 | 160 | 130 | 14 | 4 | 23.31 | |||||||
| 100×50 | 90 | 205 | 170 | 18 | 4 | 45 | 140 | 110 | 14 | 4 | 8 | 170 | 23.54 |
| 100×70 | 60 | 160 | 130 | 14 | 4 | 23.68 | |||||||
| 100×80 | 75 | 185 | 150 | 18 | 4 | 25.18 | |||||||
| 125×70 | 115 | 235 | 200 | 18 | 8 | 60 | 160 | 130 | 14 | 4 | 8 | 200 | 26.23 |
| 125×80 | 75 | 185 | 150 | 18 | 4 | 27.9 | |||||||
| 125×100 | 90 | 205 | 170 | 18 | 4 | 29.95 | |||||||
| 150×80 | 135 | 260 | 225 | 18 | 8 | 75 | 185 | 150 | 18 | 4 | 8 | 225 | 30.69 |
| 150×100 | 90 | 205 | 170 | 18 | 4 | 32.73 | |||||||
| 150×125 | 115 | 235 | 200 | 18 | 4 | 36.45 | |||||||
相關產品
Copy right ? 2018 無錫市斌順化工設備制造有限公司 版權所有